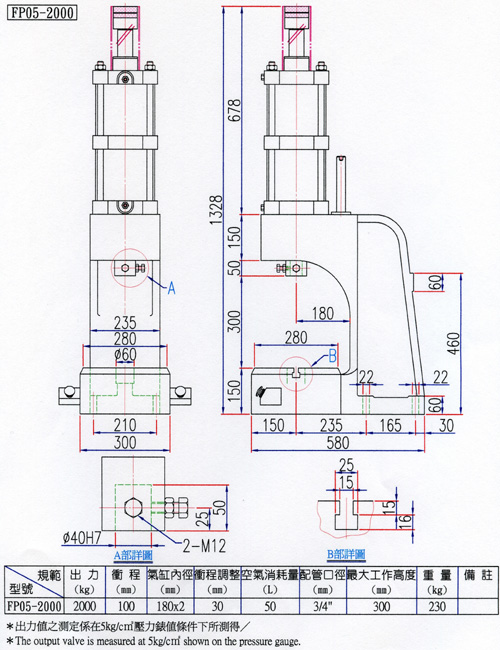
氣壓壓床 FP05-2000