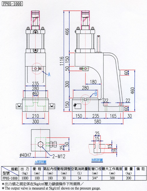
氣壓壓床 FP05-1000