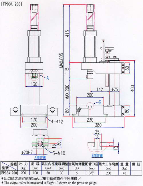
氣壓壓床 FP03A-200