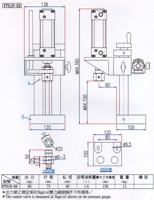
氣壓壓床 FP01B-60